Intrinsic Safety Design

Ethernet-APL Field Platform Intrinsic Safety Analysis

Introduction

The AD-ETHERNETAPLDEVICE-SL has been certify for Ex ia IIC Ga intrinsic safety requirements according to IEC 60079-11:2011 standard.

Key Parameters

Table 1 Electrical Data

Computing Resources

CPU

MAX32690 Ultralow Power ARM Cortex-M4 with FPU-Based Microcontroller (MCU) with 3 MB Flash and 1 MB SRAM

Memory

512 Gb RAM

Storage

64 Mb QSPI Flash

Security

MAXQ1065 Ultralow Power Cryptographic Controller with ChipDNATM

Connectivity

Ethernet

ADIN1110 Robust, Industrial, Low Power 10BASE-T1L Ethernet MAC-PHY

Power supply

PoDL

9V DC to 15V DC

DISCLAIMER

The electrical circuits must be protected by encapsulation within the final device. Such an encapsulation is required for:

  • protection against spark ignition (IEC 60079-11:2023, 6.6.2.1)

  • protection against thermal ignition (IEC 60079-11:2023, 6.6.2.2)

  • rating of electrical components from which the intrinsic safety depends (IEC 60079-11:2023, 6.6.6)

  • application of separation distances through casting compound (IEC 60079-11:2023, Table 7, column 3)

The corresponding sections of EN 60079-11:2012 shall be applied in addition.

An enclosure is not part of this certification.

The full technical requirements of manufacturer’s specification must be considered for the final device. The local temperature range of -40 °C ≤ Tamb ≤ +85 °C shall never be exceeded. The maximum surface temperature does not exceed 135 °C (for T4), if the end user fulfills all requirements.

This Ex Component has no “Ex” marking as it is not offered separately for sale, but is solely for integration by the Ex Component manufacturer into their own Ex Components or Ex Equipment.

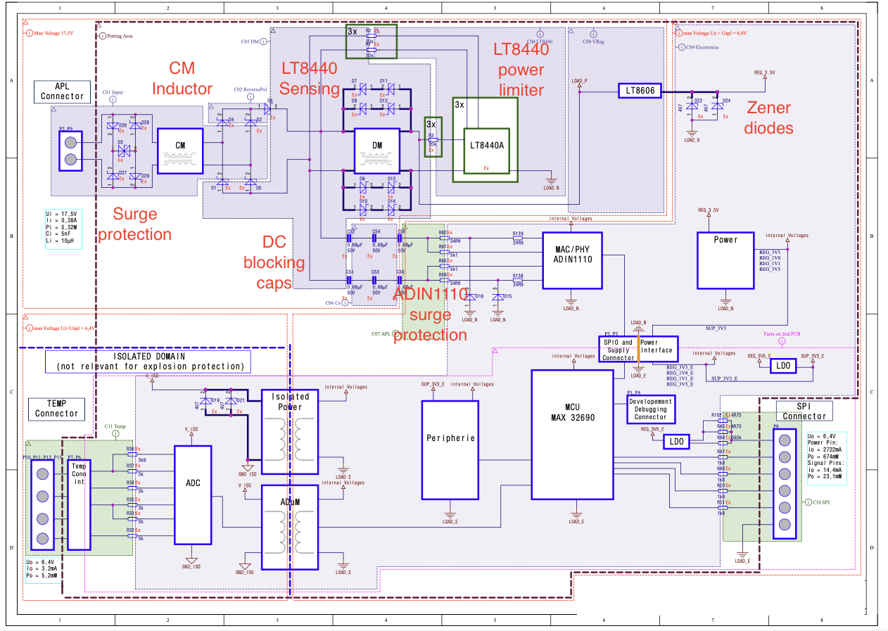
Circuit Analysis

Other than the classical considerations for intrinsic safety component selection, such power ratings, distances or temperature coefficients, special attention has been paid to the blocks highlighted in the diagram.

AD-EthernetAPLDevice-SL Board

Figure 1 AD-EthernetAPLDevice-SL Board

Surge Protection

Ethernet-APL specifications requires the use of 25A surge protection devices to avoid damage due to high voltage transients. While this requirement is not part of the intrinsic safety certification, it is important to use a low capacitance diodes to minimize the TVS diode capacitance to guarantee proper Ethernet communication.

Common-mode Inductor

The primary function of this inductor is to remove the common mode noise that can be present in the field wiring. The required value exceeds the maximum value for intrinsic safety.

To qualify the component, independent measurements have been performed to verify that the energy stored by the inductor is within allowable limits at different conditions.

CM choke

Figure 2 CM choke peak energy

LT8440 Sensing and Power Limiter

The LT8440 has been specially designed for Ethernet-APL Intrinsic Safety applications.

It serves two primary functions, the first one is to minimize input current glitches that could disrupt the Ethernet communication, and the second one is to limit the power that can be delivered to the system in case of a fault condition. The LT8440 adjust the maximum current allowable to teh load by sensing the input voltage provided by the field switch so deliver teh maximum possible power to the load.

In our design, the sensing input pins from the LT8440 has been connected after the diode bridge as this allows for a higher capacitance values.

Zener diodes

The Zener diodes will limit the maximum voltage seeing by the circuit in case of failure. Remember that the maximum voltage allowed in the intrinsic safety analysis is 28V.

  • Certified for intrinsic safety (Ex ia IIC Ga)

  • Pre-certified Ethernet-APL

  • Functional safety ready (SIL2) with:

    • MAX42500 voltage monitor with integrated windowing watchdog

    • MAX66132 temperature sensor

    • ADFS7124-4 sigma-delta ADC (SC3 certified)

    • Complete FMEDA documentation

  • MAX32690 dual-core MCU (ARM Cortex-M4 with FPU + RISC-V co-processor)

  • External RAM (512 Mb) and Flash (64 Mb)

  • MAXQ1065 security co-processor for:

    • Root-of-trust

    • Mutual authentication

    • Data confidentiality and integrity

    • Secure boot and communications

  • 10BASE-T1L Ethernet via ADIN1110 MAC/PHY

  • Powered via Single-Pair Power over Ethernet (SPoE), ADIN1100D2Z recommended

  • Open-source software stack with drivers and example applications

  • Zephyr RTOS support and integration with Code Fusion Studio

AD-EthernetAPLDevice-SL Board

Figure 3 AD-EthernetAPLDevice-SL Board

Simplified Block Diagram

Figure 4 Simplified Block Diagram

Table 2 Specifications

Computing Resources

CPU

MAX32690 Ultralow Power ARM Cortex-M4 with FPU-Based Microcontroller (MCU) with 3 MB Flash and 1 MB SRAM

Memory

512 Gb RAM

Storage

64 Mb QSPI Flash

Security

MAXQ1065 Ultralow Power Cryptographic Controller with ChipDNATM

Connectivity

Ethernet

ADIN1110 Robust, Industrial, Low Power 10BASE-T1L Ethernet MAC-PHY

Power supply

PoDL

9V DC to 15V DC

Hardware Design Files

Package Contents

The development kit is delivered with a set of accessories required to put the system together and get it up and running in no time.

This is what you’ll find in the development kit box:

  • 1x AD-EthernetAPLDevice-SL intrinsic safety certify kit (Power and Comms + Digital IS boards)

  • 1x Digital NON-IS board. This board is not IS certify and enables acces to the RISC-V JTAG for debugging pourposes (Digital NON-IS board)

  • 1x MAX32650PICO programmer (ARM) + cable

  • 1x OLIMEX programmer (RISC-V)

  • 1x OLIMEX adapter + cable

Application Development

https://media.githubusercontent.com/media/jvelasc2/documentation-staging/main/docs/solutions/reference-designs/ad-ethernetapldevice-sl/intrinsic-safety/sw_block_diagram.png

Figure 5 Software Architecture

The AD-ETHERNETAPLDEVICE-SL firmware examples are based on ADI’s open-source no-OS framework. It includes the bare-metal device drivers for all the components in the system as well as example applications enabling connectivity via the 10BASE-T1L interface for system configuration and data transfer.

Additionaly, a propietary PROFINET stack software application is available to enable easy evaluation and system prototyping (https://myanalog.com registration required).

The board is fully supported in Code Fusion Studio {{upcoming}}.

Hardware Components and Connections

https://media.githubusercontent.com/media/jvelasc2/documentation-staging/main/docs/solutions/reference-designs/ad-ethernetapldevice-sl/intrinsic-safety/Power-connectors.png

Figure 6 Power Board Connections

https://media.githubusercontent.com/media/jvelasc2/documentation-staging/main/docs/solutions/reference-designs/ad-ethernetapldevice-sl/intrinsic-safety/IS-connector.png

Figure 7 Digital IS Board Connections

https://media.githubusercontent.com/media/jvelasc2/documentation-staging/main/docs/solutions/reference-designs/ad-ethernetapldevice-sl/intrinsic-safety/non-IS-connectors.png

Figure 8 Digital NON_IS Board Connections

Table 3 Pin Description

Jumper settings

R25 & R24

Configure the MAX42500 I2C address

R30 & R68

Configure the ADIN1110 SPI protocol

R98

Connects MAXQ1065 HW Reset pin to teh MAX32690 HW reset pin

R100

Connects the MAX42500 reset pin to the MAX32690 and ADIN1110 HW reset pins

Hardware Setup

Required Hardware

  • Development kit: AD-EthernetAPLDevice-SL

  • Debugging board: If Risc-V co-processor need to be debugged, replace the IS digital board with the NON-IS Digital board

  • Power supply: Single-Pair Power over Ethernet (SPoE) via DEMO-ADIN1100D2Z supplied from external power connector (from 9V to 15V), or a Ethernet-APL field switch

  • ARM programmer: MAX32625PICO or any SWD-compatible programmer

  • RISC-V programmer Olimex ARM-USB-OCD

  • Media converter 10BASE-T1L to 10BASE-T or similar. DEMO-ADIN1100D2Z includes a media converter and can be used for both power and data or , or a Ethernet-APL field switch

Setup Instructions

  1. Connect the AD-EthernetAPLDevice-SL to the DEMO-ADIN1100D2Z and ensure all connectors are fully seated.

  2. Connect a 2- or 4-wire PT100 sensor to the temperature connector.

  3. Attach the MAX32625PICO programmer to the ARM debug header using the 10-pin ribbon cable.

  4. For RISC‑V debugging, install the NON‑IS digital board and connect the RISC‑V debug probe to the RISC‑V JTAG header (available only on the NON‑IS board).

  5. Connect the DEMO-ADIN1100D2Z to your PC via Ethernet.

  6. Apply power to the DEMO-ADIN1100D2Z (9V to 15V input). The AD-EthernetAPLDevice-SL will be powered via SPoE.

Hardware Setup

Figure 9 AD-EthernetAPLDevice-SL Hardware Setup

Software Setup

Programming the AD-EthernetAPLDevice-SL

The AD-EthernetAPLDevice-SL is supported by an open-source software stack based on Analog Devices’ no-OS framework. It includes:

  • Bare-metal drivers for all on-board components

  • Example applications for data acquisition and system configuration via 10BASE-T1L

  • Zephyr RTOS board definition

  • Integration with Code Fusion Studio

For a complete experience, download latest Code Fusion Studio from here.

The software stack includes:

  • no-OS drivers and HAL

  • Example applications for ADCs, DACs, sensors

  • UART and Ethernet (10BASE-T1L) communication support

  • Secure boot and authentication via MAXQ1065

  • Zephyr RTOS support

Help and Support

For questions and more information, please visit the EngineerZone community or contact your local ADI representative.