EVAL-ADRV902X

Integrated, Quad RF Transceiver with Observation Path.

https://media.githubusercontent.com/media/jvelasc2/documentation-staging/ref-design/cn0566/docs/solutions/reference-designs/images/adrv9026.webp

Overview

The EVAL-ADRV9026/ADRV9029, are FMC radio cards designed to showcase the ADRV9026 and ADRV9029, highly integrated, radio frequency (RF) agile transceivers offering 4 independently controlled transmitters, dedicated observation receiver inputs for monitoring each transmitter channel, 4 independently controlled receivers, integrated synthesizers, and digital signal processing functions providing complete transceiver solutions.

The devices provide the performance demanded by cellular infrastructure applications, such as small cell base station radios, macro 3G/4G/5G systems, and massive multiple in/multiple out (MIMO) base stations.

Features:

  • Both chips feature:

    • 4 differential transmitters & 4 differential receivers

    • 2 observation receivers with 2 inputs each

    • Support for TDD and FDD applications

    • 24.33 Gbps JESD204B/JESD204C digital interface

  • Complete ADRV9026 radio cards for evaluation

    • ADRV9026-HB/PCBZ for frequency band 2.8GHz to 6GHz

    • ADRV9026-MB/PCBZ for frequency band 650MHz to 2.8GHz

    • ADRV9026-LB/PCBZ for frequency band 75MHz to 1000MHz

  • Complete ADRV9029 radio cards for evaluation

    • ADRV9029-HB/PCBZ (integrated DPD & CFR) for frequency band 2.8GHz to 6GHz

    • ADRV9029-MB/PCBZ (integrated DPD & CFR) for frequency band 650MHz to 2.8GHz

  • A separate power daughter card provides reference design for high efficiency power supply solution

  • FMC connector for FPGA

Applications:

  • 3G/4G/5G TDD and FDD massive MIMO, macro and small cell base stations

https://media.githubusercontent.com/media/jvelasc2/documentation-staging/ref-design/cn0566/docs/solutions/reference-designs/images/eval_adrv9026.png

Recommendations

People who follow the flow that is outlined, have a much better experience with things. However, like many things, documentation is never as complete as it should be. If you have any questions, feel free to ask on our EngineerZone forums, but before that, please make sure you read our documentation thoroughly.

To better understand the ADRV9026 / ADRV9029, we recommend to use the EVAL-ADRV9026/ADRV9029 evaluation board.

Table of contents

  1. Using the evaluation board/full stack reference design that we offer:

    1. Prerequisites - what you need to get started

    2. Quick start guides:

      1. Using the VCK190/Versal

      2. Using the ZCU102/Zynq UltraScale+ MP SoC

    3. Configure an SD Card with Kuiper

    4. Linux Applications

      1. IIO Oscilloscope

  2. Design with the ADRV9026/ADRV9029

  3. Additional documentation about SDR Signal Chains - The math behind the RF

  4. Help and Support

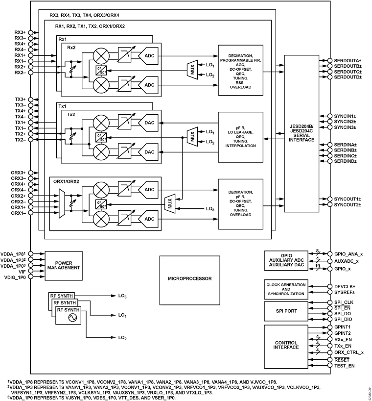
Block diagram

https://media.githubusercontent.com/media/jvelasc2/documentation-staging/ref-design/cn0566/docs/solutions/reference-designs/images/adrv9026_block_diagram.png

Videos

Software Defined Radio using the Linux IIO Framework

ADI articles

Four Quick Steps to Production: Using Model-Based Design for Software-Defined Radio:

  1. Part 1 - The Analog Devices/Xilinx SDR Rapid Prototyping Platform: Its Capabilities, Benefits, and Tools

  2. Part 2 - Mode S Detection and Decoding Using MATLAB and Simulink

  3. Part 3 - Mode S Signals Decoding Algorithm Validation Using Hardware in the Loop

  4. Part 4 - Rapid Prototyping Using the Zynq SDR Kit and Simulink Code Generation Workflow

About JESD standard:

  1. JESD204B Survival Guide

  2. JESD204C Primer: What’s New and in It for You—Part 1

  3. JESD204C Primer: What’s New and in It for You—Part 2

MathWorks webinars

  1. Modelling and Simulating Analog Devices’ RF Transceivers with MATLAB and SimRF

  2. Getting Started with Software-Defined Radio using MATLAB and Simulink

Additional information

Digital Pre-Distortion (DPD) User Guide with the ADRV9029:

Warning

All the products described on this page include ESD (electrostatic discharge) sensitive devices. Electrostatic charges as high as 4000V readily accumulate on the human body or test equipment and can discharge without detection. Although the boards feature ESD protection circuitry, permanent damage may occur on devices subjected to high-energy electrostatic discharges. Therefore, proper ESD precautions are recommended to avoid performance degradation or loss of functionality. This includes removing static charge on external equipment, cables, or antennas before connecting to the device.