AD-BMSE2E3W-SL

72 V to 96 V Battery Management System for Electric 2- and 3-Wheelers.

A concise version of this document is available in portable document format. Click on the file below to download:

Overview

https://media.githubusercontent.com/media/jvelasc2/documentation-staging/ref-design/cn0566/docs/solutions/reference-designs/ad-bmse2e3w-sl/ad-bmse2e3w-sl_angle.jpg

Figure 1 AD-BMSE2E3W-SL

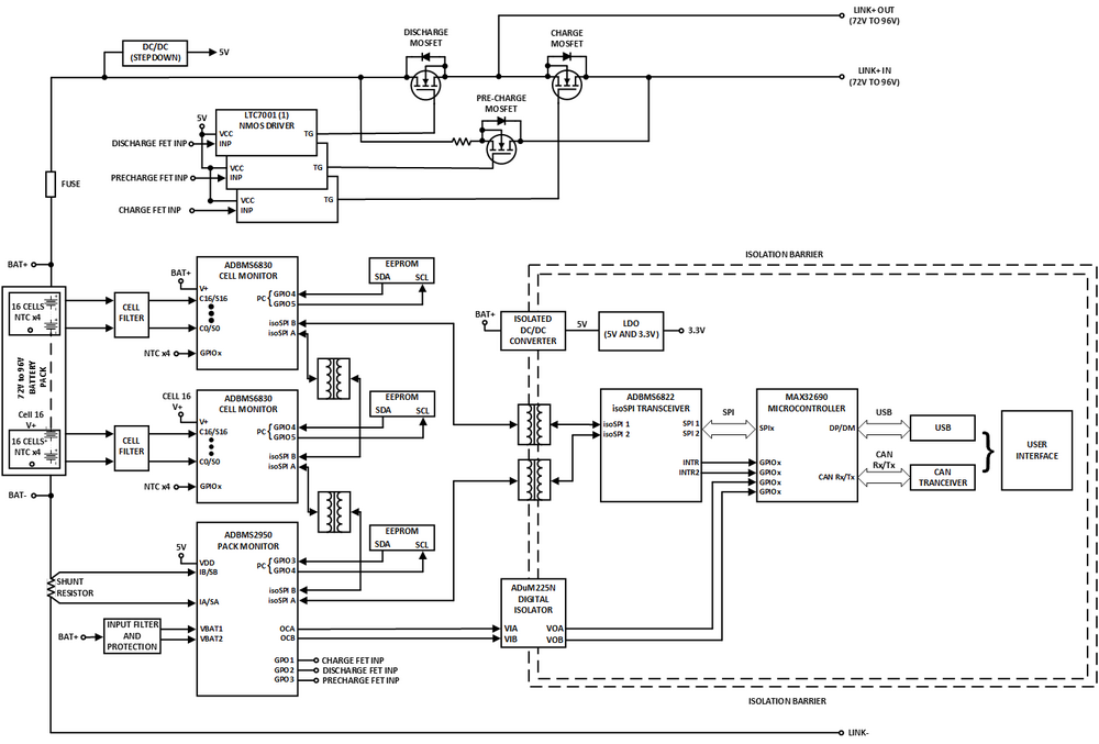
The AD-BMSE2E3W-SL is a BMS reference design for light electric vehicles (LEVs). With a voltage range of 72 V to 96 V, this solution is suitable for electric 2-wheeler and 3-wheeler vehicles with high current capacity ranging up to 100 A.

This single-board system utilizes the best-in-class ADBMS6830 cell monitoring chip that is capable of monitoring up to 2x 16-channel. This board also features battery pack monitoring using the ADBMS2950. The ADBMS6822 dual isoSPI transceiver provides a built-in 2-wire reversible isoSPI connection, which simplifies the communication of BMS parts in a daisy chain configuration before sending the data to SPI lines in the microcontroller.

The on-board MAX32690 MCU, when loaded with the firmware, can perform BMS measurements such as cell voltage (average and filtered), and pack voltage and pack current measurement. The board also has a charge, pre-charge, and discharge mode that can be controlled by the ADBMS2950 pack monitor chip.

The AD-BMSE2E3W-SL is designed to perform either in embedded mode or using a GUI, where it calculates the battery’s State of Charge (SoC) and State of Health (SoH) through enhanced coulomb counting technique.

Features

  • Variable 72 V to 96 V regulated voltage range, suitable for E2W/E3W applications

  • ASIL-D compliant and automotive grade BMS chip

  • Built-in charge/pre-charge, and discharge circuitry

  • 1.8 mV total measurement error for cell voltage monitoring

  • High performance cell/pack voltage and current monitoring

  • On-board isoSPI communication

  • Low Power Cell Monitoring (LPCM) capability

  • GPIO Controllable FET Monitoring

  • ADBMS6830 GPIO input ready for NTC sensors

  • Low Power MAX32690 MCU

  • UART and CAN Communication

  • SOC and SOH through Enhanced Coulomb Counting Technique

  • E2W/E3W Basic System Behavior Modes

  • Embedded Application-ready (via CLI)

  • GUI capable of the following measurements and fault detection:

    • Cell Monitoring Voltage and Current

    • Pack Monitoring Charge Current Monitoring

    • Discharge Current Monitoring

    • Temperature Monitoring

    • Cell OV/UV Detection

    • Cell/GPIO Open-wire Detection

    • Cell Balancing

Applications

  • Electric and hybrid 2-wheeler vehicles

  • Electric and hybrid 3-wheeler vehicles

  • Light electric vehicles

System Architecture

https://media.githubusercontent.com/media/jvelasc2/documentation-staging/ref-design/cn0566/docs/solutions/reference-designs/ad-bmse2e3w-sl/updated_block_diagram_72vto96v.png

Figure 2 AD-BMSE2E3W-SL Simplified Block Diagram

Table 1 Specifications

SYSTEM

Parameter

Min

Typical

Max

Unit

Notes

System Vin+ Supply Voltage from Battery

60

100

V

Input voltage supply from battery

Battery Emulator System Output Voltage

~66

92

V

Safe output voltage from Battery Emulator

Current Discharge

50

100

A

Current rating that the BMS can deliver at discharge mode

Current Charge

0.3

50

100

A

Current rating that the BMS can deliver at pre-charge/charge mode

Pre-Charge Resistor

3×33

Charge Voltage Input

100

V

Discharge Voltage Output

65

92

V

Regulated voltage range

FET Discharge Rise Time

42

mS

FET Driver Discharge Input

5

V

Coming from GPIO of ADBMS2950

FET Pre-Charge/Charge Rise Time

88

mS

FET Driver Pre-Charge/Charge Input

5

V

Coming from GPIO of ADBMS2950

FET V(gs) range

-20

20

V

Coming from GPIO of ADBMS2950

FET Rds(on) range

4.8

mΩ

Coming from GPIO of ADBMS2950

ADBMS6830 Cell Monitor

Total Supply Voltage, V+ to V−

-0.3

85

V

VREG Supply

4.5

5

5.5

V

VREF1, VREF2

3

3.3

Supply to internal ADCs

VRES/VDD

4.5

5

5.5

V

Temp

-40

125

°C

CPIN Input Range

-2.5

5.5

V

Cell Count

17

32

Min of 17 cells for the system to initiate daisy chain

Drive

-0.3

7

V

Drive voltage range with respect to each cell monitoring V-

ADBMS2950 Pack Monitor

Main Supply Voltage In

14

V

VREG Pack Monitor

4.5

5

5.5

V

Current Input S1A, I1A, I1B

-4

4

V

Current Input S1A, I1A, I1B

-4

4

V

Current Input S2A, I2A, I2B

-4

4

V

Current Input I3A, I3B

-4

4

V

MAX32690 Microcontroller

MCU Supply Voltage from BMS

3.3

5.5

V

MCU IO Supply for 1.8 V

1.6

3

V

MCU VDD Supply

3.3

5.5

V

MCU Supply at 1.2 V

1.1

1.35

V

MCU Supply at 1.0 V

0.9

1.2

V

What’s Inside the Box?

Upon purchase of the AD-BMSE2E3W-SL kit, the package comes with the following boards and accessories:

https://media.githubusercontent.com/media/jvelasc2/documentation-staging/ref-design/cn0566/docs/solutions/reference-designs/ad-bmse2e3w-sl/ad-bmse2e3w-sl_package_contents.png

Figure 3 AD-BMSE2E3W-SL Kit Contents

Components and Connections

https://media.githubusercontent.com/media/jvelasc2/documentation-staging/ref-design/cn0566/docs/solutions/reference-designs/ad-bmse2e3w-sl/revised_ad-bmse2e3w-sl_board_with_pin_labels.png

Figure 4 Hardware Components and Connections

Table 2 Hardware Part Functions

No.

Part

Function

1

Battery Cell Connector

Connector going to battery cells

2

ADBMS6830 (U1)

BMS 1 Cell Monitoring Chip with LPCM capability

3

ADBMS6830 (U3)

BMS 2 Cell Monitoring Chip with LPCM capability

4

NTC Provision (U1)

Connector for Negative Temperature Coefficient (NTC) Thermistor in ADBMS6830 (U1)

5

NTC Provision (U3)

Connector for Negative Temperature Coefficient (NTC) Thermistor in ADBMS6830 (U3)

6

ADBMS2950 (U5)

Voltage Pack and Current Pack Monitor Chip

7

ADBMS6822 (U10)

Dual isoSPI chip

8

VBAT+ Connector

Positive Terminal Connector for total voltage capacity of the battery pack

9

Rsense Pack Monitor

Resistor Sensing for detecting and monitoring total current in the pack

10

72V to 96V LINK+_OUT Load Connector

Connector going to the load side of the system

11

72V to 96V LINK+_IN Charger Connector

Connector going to the charging side of the system

12

CAN Connector

Three terminal connector provision for CAN_H, CAN_L, and GND communication

13

Micro USB Supply Provision

5V DC USB supply provision

14

UART/SWDIO Connector

Connector for UART/SWDIO communication. Can be used to download program and debugging

15

MAX32690 MCU Chip

Low power/high power MCU chip used as controller for the system

System Evaluation

Follow the setup shown in the diagram below to get the board up and running. Ensure that the hardware parts and equipment are complete based on list of Equipment Needed. The banana plug cables used in this setup only have a maximum rating of 10A. Cables suitable for higher current rating must be used if the intended application operates at range higher than 10A. Note that the AD-BMSE2E3W-SL board can only accommodate up to 100A.

https://media.githubusercontent.com/media/jvelasc2/documentation-staging/ref-design/cn0566/docs/solutions/reference-designs/ad-bmse2e3w-sl/system_evaluation_set-up.png

Figure 5 Evaluation Setup

Equipment Needed

  • 1x AD-BMSE2E3W-SL Board

  • 2x DC2472A Battery Cell Emulator Boards

  • 1x MAX32625PICO Programming Adapter with 10-pin SWD cable (loaded with firmware image)

  • 2x Cell Connector Block (18-cell connector)

  • 2x USB Type A to Micro-B cable

  • 2x Stackable Banana Plug to Alligator Clip Cable (BU-P1166-12-2, Red)

  • 1x Stackable Banana Plug to Alligator Clip Cable (BU-P1166-12-0, Black)

  • 7x Top Mount Heatsink (to be installed for high current applications)

  • 1x Laptop or PC running Windows 10

Warning

This reference design has not undergone compliant testing for EMI/ EMC standards for automotive. It is up for the user to do its qualification as the requirements vary depending on its end application or use cases.

All the products described on this page include ESD (electrostatic discharge) sensitive devices. Electrostatic charges as high as 4000V readily accumulate on the human body or test equipment and can discharge without detection. Although the boards feature ESD protection circuitry, permanent damage may occur on devices subjected to high-energy electrostatic discharges. Therefore, proper ESD precautions are recommended to avoid performance degradation or loss of functionality. This includes removing static charge on external equipment, cables, or antennas before connecting to the device.

Note

For high current applications requiring greater than 50 A, it is advisable to install a heat sink to protect the pre-charge, charge, and discharge MOSFETs from overheating.

  • The AD-BMSE2E3W-SL Kit has 7 available HEATSINK PIN-FIN W/TAPE (375424B00034G) easy-to-install, adhesive type, aluminum top mount heat sink than can be installed directly on top of the board.

  • Peel off the protective film from the bottom of each heat sink and firmly press each one on top of the following FETs:

  1. Attach the 5 heat sinks on the top layer of the board (Q4, Q5, Q6, Q7, and Q9),

  2. the remaining 2 heat sinks on the bottom layer of the board (Q3 and Q8).

Preparing the MCU

By default (upon purchase), the AD+BMSE2E3W+SL board comes with a MAX32625PICO programmer adapter that is loaded with firmware image.

Otherwise, if you are using a new MAX32625PICO programmer (that is not part of the original kit), make sure to flash it first with the correct firmware image before connecting it to the AD-BMSE2E3W-SL board. If you do not know how to load the image, follow the instructions below:

  1. Download the firmware image: MAX32625PICO Firmware Image for MAX32690

  2. Do not connect the MAX32625PICO to the AD-BMSE2E3W-SL Board yet.

  3. Connect the MAX32625PICO to the Host PC using the micro USB to USB cable.

  4. Press the button on the MAX32625PICO. (Do not release the button until the MAINTENANCE drive is mounted)

  5. Release the button once the MAINTENANCE drive is mounted.

  6. Drag and drop (to the MAINTENANCE drive) the firmware image.

  7. After a few seconds, the MAINTENANCE drive will disappear and be replaced by a drive named DAPLINK. This indicates that the process is complete, and the MAX32625PICO can now be used to flash the firmware of the AD-BMSE2E3W-SL Board.

Hardware Setup

The board utilizes the DC2472A battery emulator as input for cell voltage measurement. The DC2472A allows a cell voltage of 1.4 V (min) to 4.2 V (max). Follow below steps to set up the board for cell measurement:

  1. Screw the two cell connector blocks to the two DC2472A battery emulators. Note that the first two terminals and the last terminal of each DC2472A cell connector must be left hanging (refer to below figure). Make sure to also set the last two terminals’ input to low voltage or equivalent range of roughly 1.4V per cell.

    https://media.githubusercontent.com/media/jvelasc2/documentation-staging/ref-design/cn0566/docs/solutions/reference-designs/ad-bmse2e3w-sl/battery_emulator_pins.png

    Figure 6 DC2472A Battery Emulator Pins

  2. Connect the DC2472A battery emulators to the ADBMSE2E3W-SL board through the cell connector blocks. Then, connect a micro-USB Type B cable to each DC2472A battery emulator and power the boards by connecting the other end of the cables to the Host PC.

    https://media.githubusercontent.com/media/jvelasc2/documentation-staging/ref-design/cn0566/docs/solutions/reference-designs/ad-bmse2e3w-sl/usb_emulator.png

    Figure 7 Connecting the DC2472A Battery Emulator

  3. Set the DC2472A battery emulators to the lowest voltage by fully turning the Cell Voltage Adjustment Potentiometer counterclockwise.

  4. Attach the MAX32625PICO programmer to the AD-BMSE2E3W-SL board using the 10-pin ribbon SWD cable. Power the MAX32625PICO using a micro-USB to USB cable connected to the Host PC.

    https://media.githubusercontent.com/media/jvelasc2/documentation-staging/ref-design/cn0566/docs/solutions/reference-designs/ad-bmse2e3w-sl/max32625_power_usb_pc.png

    Figure 8 Connecting the MAX32625PICO Programmer

  5. Connect the alligator clip cable (red) to the VBATTP Pin or the 3rd of Pin 17 header of the DC2472A battery emulator. Then, insert the other end of the cable (banana jack plug) to TP16 (VBAT+ terminal) of the AD-BMSE2E3W-SL board.

    https://media.githubusercontent.com/media/jvelasc2/documentation-staging/ref-design/cn0566/docs/solutions/reference-designs/ad-bmse2e3w-sl/connector_supply_vbattp.png

    Figure 9 DC2472A’s VBATT+ Supply Connector to AD-BMSE2E3W-SL’s VBAT+ Terminal

  6. Connect the alligator clip cable (black) to the GND (VBAT-) supply of the DC2472A battery emulator. Then, connect the other end of the cable to the Rsense (top side) of the AD-BMSE2E3W-SL.

    https://media.githubusercontent.com/media/jvelasc2/documentation-staging/ref-design/cn0566/docs/solutions/reference-designs/ad-bmse2e3w-sl/gnd_vbat-_to_gnd_sense.png

    Figure 10 DC2472A’s VBAT- Supply Connector to AD-BMSE2E3W-SL’s Rsense

  7. Set the DC2472A battery emulators to HIGH voltage or equivalent to 4.1 V per cell by turning the Cell Voltage Adjustment Potentiometer clockwise.

  8. Check the supply for the following test points as described in the diagram and table below. Make sure that the voltage levels are within the specified range.

    https://media.githubusercontent.com/media/jvelasc2/documentation-staging/ref-design/cn0566/docs/solutions/reference-designs/ad-bmse2e3w-sl/quick_test_points.png

    Figure 11 AD-BMSE2E3W-SL Test Points

    Table 3 Hardware Supply Quick Test Point

    TP Name

    Description

    Function

    Voltage Range

    TP2

    U1 ADBMS6830 BMS1_VREG

    U1 Input Voltage BMS1_VREG for ADBMS6830

    Low voltage: 15 V to 20 V

    High voltage: (50 V to 58 V)

    TP4

    U3 ADBMS6830 BMS2_VREG

    U3 Input Voltage BMS2_VREG input for ADBMS6830

    0 V to 5 V

    TP7

    U6 LTC3639 Output

    U6 LTC3639 Regulator Voltage Output

    4.5 V to 5.5 V

    TP8

    U9 LT8303 Output

    U9 LT8303 Switch Down Regulator Output

    3.2 V to 3.5 V

    R346

    U15 MAX25301A Output

    U15 MAX25301A Output 3.3 V going to MCU

    3.2 V to 3.5V

    (Left Pin)

    TP16

    VBAT+

    Total Voltage Supply from battery

    72 V to 92 V (regulated)

  9. Once all steps are completed, you are now ready to use this reference design and run the accompanying software found in the link below:

    Note

    The AD-BMSE2E3W-SL comes complete with firmware examples and easy-to-use application GUI. Access the software resources and see the setup procedure in the AD-BMSE2E3W-SL Software User Guide.

Resources

Design & Integration Files

Download

AD-BMSE2E3W-SL Design Support Package

  • Schematic

  • PCB Layout

  • Bill of Materials

  • Allegro Project

Guides&Sample Software

A software user-guide and sample application for AD-BMSE2E3W-SL are available:

Help and Support

For questions and more information, please visit the EngineerZone Support Community.